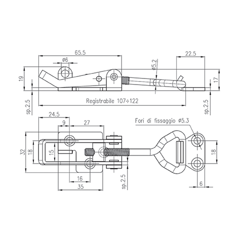
90702SL
Chiusura a leva regolabile lucchettabile