Email

fastloc@fastloc.it

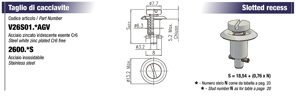
V26S01.*
Stelo testa taglio cacciavite

Array
(
)